Comment remplacer ma pompe Dimension One 01512-320E ?

Présentation de la pompe Dimension One 01512-320E
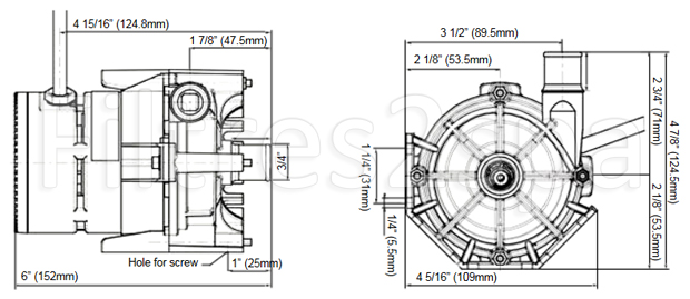
Cette petite pompe de filtration développée par Laing 10-0121F-K (Xylem / Goulds) pour Dimension One Spas est une version améliorée du modèle E10. Elle est conçue pour fonctionner en continu, 24 heures sur 24.
Le corps de la pompe, qui inclut une turbine de 68 mm de diamètre extérieur, est totalement isolé du moteur. Ce design sans arbre d'entraînement ni garniture mécanique élimine les risques de fuites et de pénétration d'eau dans le moteur. La pompe utilise la force magnétique pour faire circuler l'eau, une méthode à la fois efficace et silencieuse.
Contrairement au modèle classique E10, cette version de la pompe est équipée d'un câblage d’alimentation à 3 fils avec une fiche plastifiée AMP ou à 3 broches J&J, ainsi que d'un second câblage plus petit à 2 broches pour le contrôle du flow switch - contrôleur de pression (embout rouge).
Les sorties de la pompe sont lisses, avec un diamètre extérieur de 21 mm, permettant l'ajout facile d'un tuyau souple de 3 / 4 de pouce, généralement sécurisé par un collier de serrage.
Cette pompe a été couramment utilisée sur les spas Dimension One de 1998 à 2008. Depuis 2009, le fabricant a commencé à remplacer ce modèle par la version classique E10, sans le second câblage.
Caractéristiques techniques de la pompe
Puissance : Environ 63W
Débit : Entre 23 et 45 litres/min

Possibilités de remplacement à la pompe Dimension One 01512-320E
L'arrêt de production de ce modèle implique qu'il n'est plus possible de la remplacer à l'identique. Dans ce contexte, nous vous proposons deux options de remplacement : la pompe E10 Laing 3/4 pouce lisse ou le modèle LX WE10, ce dernier étant une option plus économique.
La pompe LX Whirlpool WE10 a une puissance de moteur et un pas de vis identiques à ceux de la E10. En général, ce type de pompe est connecté à une tuyauterie souple, ce qui facilite son installation sur la nouvelle pompe. Cependant, il convient de noter que le modèle WE10 est légèrement plus volumineux, aussi, assurez-vous d'avoir suffisamment d'espace dans l'encastrement du spa si vous optez pour celle-ci.
On notera d'ailleurs, quel que soit votre choix entre la pompe E10 classique ou la WE10 Lx, qu'il sera crucial de récupérer le câble AMP ou J&J de l'ancienne pompe pour le réinstaller sur la nouvelle, afin d'assurer la connexion à la carte électronique.
Nous avons déjà discuté de la partie hydraulique et de la partie alimentation avec le câblage à trois fils. Il reste toutefois un point important à aborder : le petit câblage du flow switch, un câble fin rouge et noir avec un embout rouge. Ce câble est essentiel, car il confirme à la carte que le débit est suffisant pour que la pompe puisse démarrer.
Ainsi, il est impératif de trouver une solution pour ce câblage, car sans connexion, le système de sécurité du spa s'activant, la pompe ne pourra pas se lancer, ce qui bloquera la filtration de l'eau et en parallèle le chauffage du spa.
Bien qu'il soit techniquement possible de contourner la connectique sur la carte en la shuntant pour simuler un fonctionnement normal de la pompe, cette pratique présente des risques pour la sécurité des équipements et des utilisateurs.
Pour éviter ces complications, nous vous recommandons de commander un détecteur de débit Harwill, référence 01512-199 / 01710-130 / Q-12DS-C2, afin de remplacer le détecteur de débit intégré d'origine à la pompe.
Ce détecteur de débit garantit que la pompe de circulation fournit un débit d'eau adéquat au réchauffeur, ce qui prévient les risques de surchauffe. Si le débit est suffisant, l'aimant se fixe à la tige du détecteur, transmettant ainsi l'information au système de contrôle.
Le manchon en plastique transparent est équipé d'un embout cannelé et d'un embout lisse. Il dispose d'une sortie canelé à insérer dans un tuyau 3 / 4 pouce et d'une sortie lisse pour tuyau 1/2 pouce.

Pompe Laing xylem Ecocirc E10 0,75" Lisse
Référence la plus connue : 73979
Sorties (lisses) : 3/4" x 3/4"